Other services

Isometric drawings / P&ID

Contact Us!

COOLER CO (PTY) LTD

Call: 011 794 9828

Standby: 067 412 7458

Email: refrigeration@coolerco.co.za

Address: Inospace – Metro Works
Wakis Avenue, Strijdom Park Randburg, Gauteng, South Africa, 2169

Draughting / Draughtmen

Isometric drawings / P&ID (piping and instrumentation diagram)

Draughting / Draughtmen Services

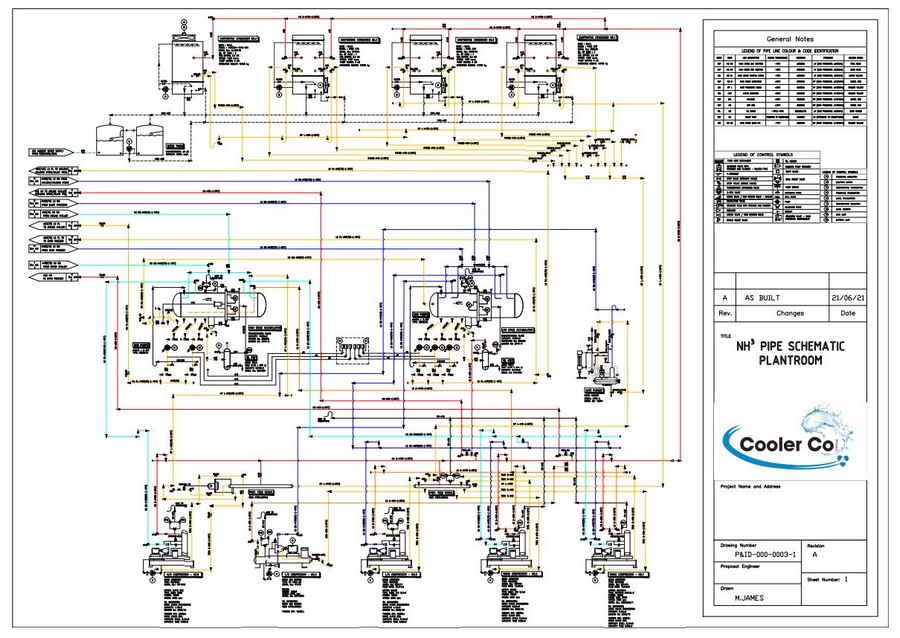
SANS 10147

SANS 10147 which is the governing refrigeration legislation within South Africa, has specific requirements for all refrigeration plants. One of the requirements is a P&ID (piping and instrumentation diagram) drawing outside the plantroom indicating critical (emergency) requires the following:

6.13.3 Metal signs

Refrigerating systems that contain more than 500 kg of refrigerant shall have metal signs, which have letters of height at least 20 mm, to designate the isolating shut-off valves to each vessel, the main stream control or the electrical control, the remote control switches, and the pressure-limiting devices installed outside the refrigeration plant room.

A schematic drawing of the plant shall be mounted outside the plant room clearly identifying all of the numbered critical isolation valves in the system. All exposed high-pressure and low-pressure piping shall bear signs with the name of the refrigerant, the medium in the pipes, its direction of flow, and the letters “HP” or “LP”.

All mandatory safety, first-aid and emergency procedures, and plant signs shall be mounted on metal plates in a clearly visible position outside the plant room.

Whether it is supermarket design, refrigerated cabinets or polyurethane insulated rooms, we can conscientiously complete any task at hand.

As we’ve stated earlier, efficient and completely functional commercial refrigerators are essential for retailers, restaurants, and a variety of other enterprises to provide consistent service and achieve success.

Plantroom and Emergency Exit Drawings

Coded welder

F
F

Oil condition check

F

Relief valve calibration and pressure vessel thickness testing

Our Services Include:

  • Initial Assessment & Report
  • Sans 10147 Refrigeration Legislation Audits
  • Energy Optimisation
  • Refrigeration Certificate Of Compliance (Coc)
  • Risk Assessments
  • Extending Refrigeration Equipment Longevity
  • Minimising Breakdowns
  • Commercial Design & Inspection
  • Industrial Design & Inspection
  • Refrigeration Alert Systems
  • Project Management
  • Coded welding
  • Drawings including P&ID

Our Refrigeration Solutions Include:

  • Energy Optimisation Solutions
  • Maintenance Solutions
  • Engineering Solutions
  • Independent Consultation Solutions
  • Fault Finding Solutions
  • Project Management Solutions

Other Services:

Industrial Refrigeration
Air Conditioning

 

Refrigeration specialist

Contact us for:
  • SANS 10147 Legislation Compliance Inspections
  • Energy Optimisation
  • Enhanced Plant Performance
  • Technical Support
error: Content is protected !!